Перейти на главную страницу справочника.
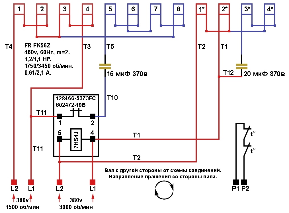
Схема укладки и соединений двухскоростной обмотки двухфазного электродвигателя Carrier FRFK56Z.
Схема укладки обмотки 3000 об/мин. двухфазного электродвигателя Carrier FRFK56Z.
Схема укладки обмотки 1500 об/мин. двухфазного электродвигателя Carrier FRFK56Z.
Схема соединений двухскоростной обмотки двухфазного электродвигателя Carrier FRFK56Z.



