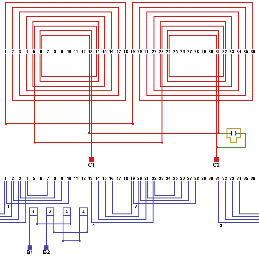
Ñõåìû óêëàäêè è ñîåäèíåíèé îáìîòêè ñòàòîðà ãåíåðàòîðà J116 16,0 êÂò.
Ïåðåéòè íà ãëàâíóþ ñòðàíèöó ñïðàâî÷íèêà.
Ñõåìû óêëàäêè è ñîåäèíåíèé îáìîòêè ñòàòîðà ãåíåðàòîðà J116 16,0 êÂò.
Ñõåìû óêëàäêè è ñîåäèíåíèé ðàâíîêàòóøå÷íîé îáìîòêè ñòàòîðà ãåíåðàòîðà J116 16,0 êÂò ñ ÷èñîì ïàðàëëåëüíûõ âåòâåé à=2.


