Перейти на главную страницу справочника.
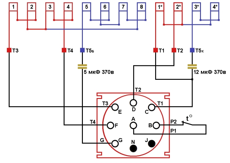
Схема укладки и соединений двухскоростной обмотки двухфазного электродвигателя Carrier.
Схема укладки двухскоростной обмотки двухфазного электродвигателя Carrier.
Схема соединений двухскоростной обмотки двухфазного электродвигателя Carrier.


