Ñïðàâî÷íèê îáìîò÷èêà àñèíõðîííûõ ýëåêòðîäâèãàòåëåé

Ñõåìû óêëàäêè è ñîåäèíåíèé ñòàòîðà ãåíåðàòîðà 5 êÂò. 380 âîëüò.

Ïåðåéòè íà ãëàâíóþ ñòðàíèöó ñïðàâî÷íèêà.

Ñõåìà óêëàäêè îáìîòêè ñòàòîðà.

Ñõåìà óêëàäêè ñòàòîðà ãåíåðàòîðà 5 êÂò. 380 âîëüò

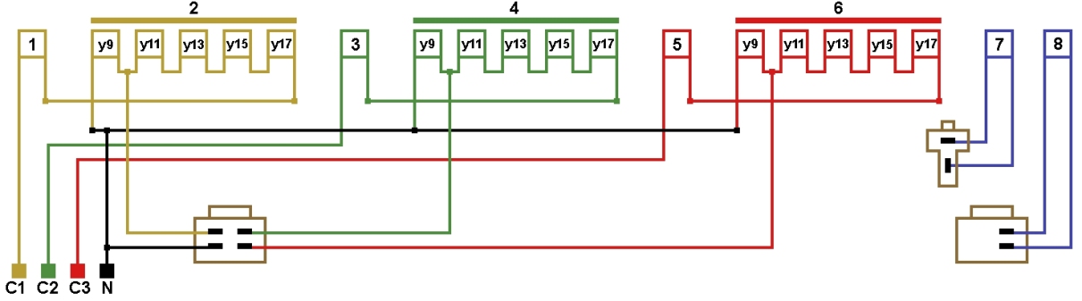
Ñõåìà ñîåäèíåíèé îáìîòêè ñòàòîðà.

Ñõåìà ñîåäèíåíèé ñòàòîðà ãåíåðàòîðà 5 êÂò. 380 âîëüò

Ïåðåéòè íà ãëàâíóþ ñòðàíèöó ñïðàâî÷íèêà.

© Öâåòêîâ Ñ. À. Ñïðàâî÷íèê îáìîò÷èêà àñèíõðîííûõ ýëåêòðîäâèãàòåëåé. 2011 ã. Âñå ïðàâà çàùèùåíû.