Схемы укладки и соединений обмоток статора МАП421 4/8.
Перейти на главную страницу справочника.
Схемы укладки обмоток статора МАП421 4/8.
Схема укладки обмотки 1500 об/мин.
Схема укладки обмотки 750 об/мин.
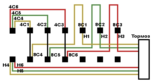
Схемы соединений обмоток статора МАП421 4/8.
Схема соединений обмотки 1500 об/мин.
Схема соединений обмотки 750 об/мин.
Клеммник МАП221 4/8.





