Перейти на главную страницу справочника.
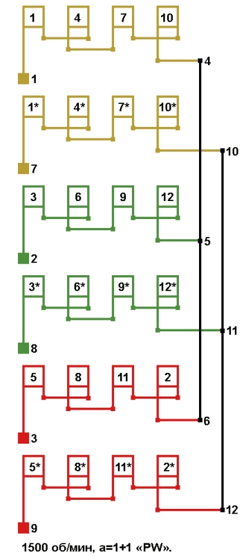
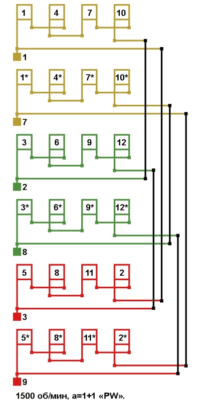
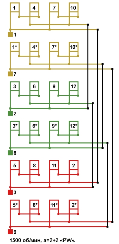
Схемы соединений и подключения обмоток электродвигателей холодильного компрессора 1500 об/мин.
Схема соединений электродвигателей холодильного компрессора с разделёнными обмотками "PW" 1500 об/мин а=1+1, Y/YY.
Схема соединений электродвигателей холодильного компрессора с разделёнными обмотками "PW" 1500 об/мин а=2+2, Y/YY.
Схема соединений электродвигателей холодильного компрессора с разделёнными обмотками "PW" 1500 об/мин а=1+1, Δ/ΔΔ.
Схема соединений электродвигателей холодильного компрессора с разделёнными обмотками "PW" 1500 об/мин а=2+2, Δ/ΔΔ.
Схема подключения электродвигателей холодильного компрессора с разделёнными обмотками "PW" 1500 об/мин, Y/YY.





