Перейти на главную страницу справочника.
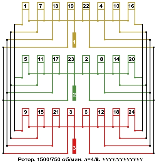
Схемы соединений и подключения обмотки двухскоростного ротора 1500/750 об. мин. 2p=4/8, количество параллельных ветвей а=4/8.
Схема соединений двухскоростной обмотки ротора 1500/750 об. мин. 2p=4/8, а=4/8, соединение фаз YYYY/YYYYYYYY.
Схема подключения двухскоростной обмотки ротора. 2p=4/8, 1500/750 об/мин.

