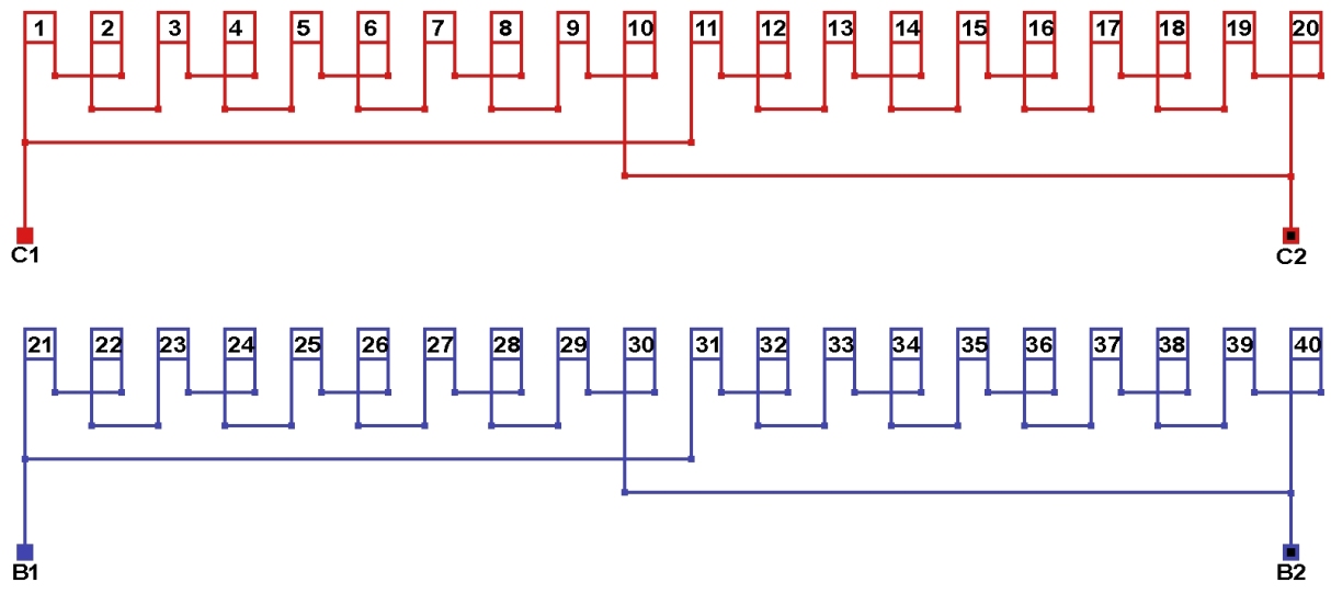
Схемы соединений и подключения обмоток однофазных электродвигателей 300 об/мин. 2p=20, количество параллельных ветвей: а=2.
Перейти на главную страницу справочника.
Схема соединений однофазной обмотки, количество параллельных ветвей а=2.
Схемы подключения однофазного электродвигателя к сети.


