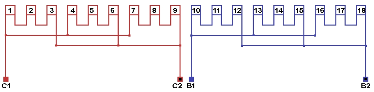
Схемы соединений и подключения обмоток однофазных электродвигателей 333 об/мин. 2p=18.
Перейти на главную страницу справочника.
Схема соединений однофазной обмотки, количество параллельных ветвей в рабочей и пусковой обмотках а=1.
Схема соединений однофазной обмотки, количество параллельных ветвей в рабочей и пусковой обмотках а=3.
Схема соединений однофазной обмотки, количество параллельных ветвей в рабочей и пусковой обмотках а=9.
Схемы подключения однофазного электродвигателя к сети.




