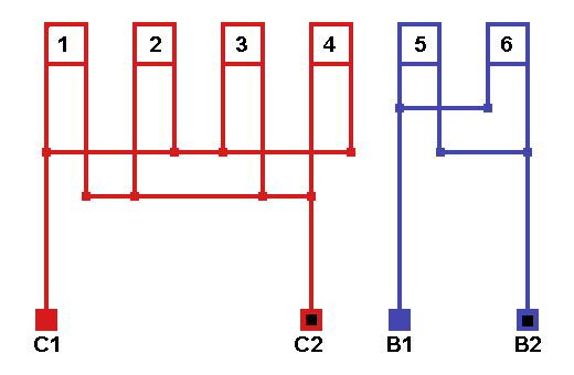
Схемы соединений и подключения обмоток однофазных электродвигателей 1500 об/мин. 2p=4, количество параллельных ветвей: а=1, а=2, а=4.
Перейти на главную страницу справочника.
Схема соединений однофазной обмотки, количество параллельных ветвей а=1.
Схема соединений однофазной обмотки, количество параллельных ветвей а=2.
Схема соединений однофазной обмотки, количество параллельных ветвей а=4/2.
Схемы подключения однофазного электродвигателя к сети.




